| LZ-MH11穿孔膜合稱重傳感器 |  | | 中空設計,具有安裝高度低、變形量小、抗偏載的特點;適用于螺桿、桿件的力值測量、各種小空間測力及工業壓裝的檢測和控制領域。 | | 技術參數 |
| 量程 | 100kg~5000kg | | 零點輸出 | ≤±1%F.S | | 靈敏度 | 1.0~2.0mV/V | | 非線性 | ≤±0.5%F.S | | 滯后 | ≤±0.5%F.S | | 重復性 | ≤±0.5%F.S | | 蠕變 | ≤±0.5%F.S/30min | | 零點溫度漂移 | ≤±0.05%F.S/10℃ | | 靈敏度溫度漂移 | ≤±0.05%F.S/10℃ | | 使用溫度范圍 | -20℃~+60℃ | | 輸入阻抗 | 380±30Ω/730±30Ω | | 輸出阻抗 | 350±2Ω/700±3Ω | | 絕緣電阻 | ≥5000MΩ/100VDC | | 安全過載 | 120%F.S | | 供橋電壓 | 5~12VDC(推薦10VDC) | | 材質 | 合金鋼/不銹鋼 | | 接線方式 | 紅色:電源+(E+) 黑色:電源-(E-) 綠色:輸出+(S+) 白色:輸出-(S-) |
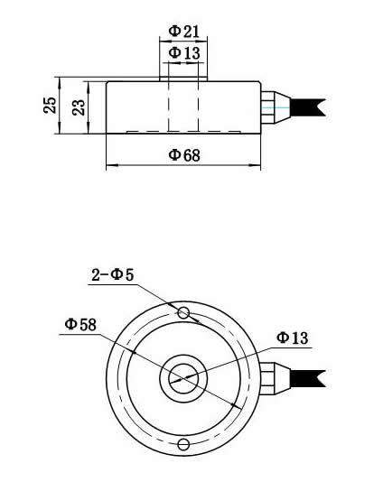
| 外形尺寸 單位mm |  | | 量程、外形尺寸、安裝位置等可按照客戶的具體要求定制。 |
|