| LZ-ZX9軸銷式傳感器 |  | | 銷軸外形雙剪切梁結構,可替代原銷軸。具有精度高,抗偏載,長期穩定性高等特點。廣泛應用于各種行車,吊裝機構,牽引設備及工業自動化測控系統。 | | 技術參數 |
| 量程 | 50kg~1000kg | | 零點輸出 | ≤±1%F.S | | 靈敏度 | 1.0~1.5mV/V | | 非線性 | ≤±0.5%F.S | | 滯后 | ≤±0.5%F.S | | 重復性 | ≤±0.5%F.S | | 蠕變 | ≤±0.5%F.S/30min | | 零點溫度漂移 | ≤±0.05%F.S/10℃ | | 靈敏度溫度漂移 | ≤±0.05%F.S/10℃ | | 使用溫度范圍 | -20℃~+60℃ | | 輸入阻抗 | 380±30Ω/730±30Ω | | 輸出阻抗 | 350±2Ω/700±3Ω | | 絕緣電阻 | ≥5000MΩ/100VDC | | 安全過載 | 120%F.S | | 供橋電壓 | 5~12VDC(推薦10VDC) | | 材質 | 合金鋼/不銹鋼 | | 接線方式 | 紅色:電源+(E+) 黑色:電源-(E-) 綠色:輸出+(S+) 白色:輸出-(S-) |
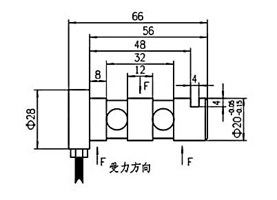
| 外形尺寸: |  | | 本頁中所注參數僅供選型參考;如您有量程、外形尺寸、安裝位置等具體要求,可以聯系我們,按照您的要求定制。 | | 軸銷傳感器廠家 http://www.bjminghao.com.cn |
|